Циклон СК-ЦН-34-600 в Монголии
характеристики
товара
и гарантии
Технические характеристики циклона СК-ЦН-33-600
Промышленный циклон СК-ЦН-34-600 в Монголии
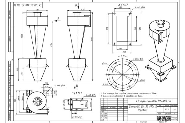
Циклон СК ЦН 34 600 предназначен для улавливания твердых частиц после реакторов (технологический газ) и вспомогательных систем (пневмотранспорт, газотранспорт, аспирация, пневмоуборка) реакторов сажевого производства, технического углерода. Предназначены для очистки от твердых частиц сажегазовой смеси после реакторов сажевого производства, газовоздушной смеси систем пневмотранспорта, аспирации и пневмоуборки. Применяются в производстве технического углерода, установках каталитического крекинга нефтепродуктов, дегидрирования бутана. Системы очистки газового теплоносителя после распылительных сушилок дрожжевого производства гидролизных предприятий. Возможно использование во взрывоопасной, коррозионной среде. Спирально-конические циклоны более энергоёмкие, но наиболее эффективные при очистке газов от мелко-дисперсных пылей и их следует использовать при ограничениях по габаритам. Циклоны СК-ЦН-34 обычно не применяются в групповом исполнении, так как имеют большие габаритные размеры.
Конструкция циклона СК-ЦН-33-600
Конические циклоны состоят из удлиненного конического корпуса с входным и выходным патрубками, спирального раскручивателя потока воздуха, а также затвора для удаления скопившейся пыли. Для большего удобства монтажа и эксплуатации, а также совместимости с различными системами вентиляции эти устройства могут иметь правое или левое закручивание потока. "Правым" принято называть вращение газового потока в циклоне по часовой стрелки, если смотреть со стороны выхлопной трубы, "левым" - вращение против часовой стрелки.
Основные параметры циклонов
Циклон СК-ЦН-34-600 имеет самую высокую степень очистки, но в то же время и наибольший коэффициент сопротивления из всех конических циклонов с улиточным завихрителем.
Допустимая запылённость газа:
- для слабослипающихся пылей - не более 1000 г/м3;
- для среднеслипающихся пылей - не более 250 г/м31000 г/м3.
Температура очищаемого газа до 250 °C
Рекомендуемая скорость очищаемого газа на входе в циклон, 10 - 17 м/сек
Максимальное давление, 1700 Па
Коэффициент гидравлического сопротивления на входе 22,6
Эффективность очистки (от пыли d=10 мкм, плотностью 2,7 г/см3) до 97 %
Рекомендуемая скорость газа 1,4-1,7 м/с.
Обозначение циклона СК-ЦН-33-600
Например - циклон СК-ЦН-34-600
34 - угол наклона входного патрубка относительно горизонтали (град.);
600 - внутренний диаметр цилиндрической части пылеуловителя.
Технические характеристики циклона СК-ЦН-34-600
| Марка | Производительность, м3/ч | Размеры циклона с учетом бункера (длина*ширина*высота, мм) | Масса, кг |
|---|---|---|---|
| СК-ЦН-34-600 | 1530 - 3560 | 800*835*2490 | 166 |
Купить циклон СК-ЦН-34-600 в Монголии
Для того чтобы купить циклон СК-ЦН-34-600 в Монголии вы можете сделать заявку в отдел сбыта по телефону 8-800-700-0643, либо оформить заказ онлайн. Инженеры-консультанты дадут консультацию и рассчитают стоимость доставки. Транспортирование может осуществляться автотранспортом, ж/д полувагонами и речным транспортом.
Сертификаты и гарантии циклона СК-ЦН-33-600