Котел без дымососа 0.2 МВт в Монголии

  • Модель работает без дымососа, на естественной тяге
  • Дутье и тяга регулируются шиберами
  • Развитая поверхность нагрева обеспечивает высокий КПД
  • Легкий выход котла на номинальную мощность даже при плюсовой температуре
  • Надежная работа котла обеспечивается изготовлением трубной системы из трубы сталь 10 повышенной прочности
Цена с НДС:
318 000 рублей
Цена с НДС на котел без дымососа 0.2 МВт с доставкой в
от 318 000 рублей
Условия в
В наличии на складе
Доставка ТК по России и Казахстану
Безналичный расчет
Есть в наличии
Можно купить в лизинг
Котел 0.2 МВт без дымососа
Котел без дымососа 0.2 МВт
Котел без дымососа 0.2 МВт водогрейный
Водогрейный котел без дымососа 0.2 МВт
Котел 0.2 МВт на самотяге
Котел на самотяге 0.2 МВт
Котел на самотяге 0.2 МВт промышленный
Промышленный котел на самотяге 0.2 МВт
Котел 0.2 МВт на естественной тяге
Котел на естественной тяге 0.2 МВт
Шибер газохода котла без дымососа 0.2 МВт
Шибер газохода котла 0.2 МВт без дымососа
Котел 0.2 МВт без дымососа
Котел без дымососа 0.2 МВт водогрейный
Котел 0.2 МВт на самотяге
Котел на самотяге 0.2 МВт промышленный
Котел 0.2 МВт на естественной тяге
Шибер газохода котла без дымососа 0.2 МВт
Видеообзор
Вид топки Ручная, Колосники
Максимальная тепловая мощность 200 кВт
Топливо Твердое, Уголь
Отапливаемая площадь от 1200 до 2200 м²
Технические
характеристики
Описание
товара
Комплект
поставки
Дополнительное
оборудование
Монтаж и схемы
подключения
Сертификаты
и гарантии
Подбор
котла

Технические характеристики котла без дымососа 0.2 МВт

Вид Водогрейный
Тип отопительного котла Твердотопливный
Бренд HEATEXPERT
Тип Котел КВр
Вид топки Ручная, Колосники
Максимальная тепловая мощность 200 кВт
Максимальная тепловая мощность 0.2 МВт
Максимальная тепловая мощность 0.17 Гкал
Диапазон регулирования мощности 50-100 %
Диапазон регулирования мощности 100-200 кВт
Топливо Твердое, Уголь
Низшая теплота сгорания проектного топлива 5230 кКал/кг
Влажность топлива 30 %
Фракционный состав топлива УГОЛЬ Содержание мелочи (0-6 мм) не более 50%; максимальный размер куска не более 100 мм
КПД котла на УГЛЕ 80 %
Расход УГЛЯ среднечасовой за отопительный сезон 24 кг/ч
Расход УГЛЯ при максимальной нагрузке котла 42 кг/ч
Расход условного топлива 31 кг/ч
Минимальная температура воды на входе в котел 55 °C
Максимальная температура воды на выходе из котла 115 °C
Давление рабочей среды 0.15-0.3 (1.5-3) МПа (кгс/cм²)
Номинальный расход теплоносителя 7 м³/ч
Расход теплоносителя через котел min-max 6-9 м³/ч
Гидравлическое сопротивление при номинальном расходе не более 0.07 (0.7) МПа (кгс/cм²)
Аэродинамическое сопротивление 15 (1.5) Па (мм. вод. ст.)
Разряжение в топочной камере 20-40 (2-4) Па (мм. вод. ст.)
Объем уходящих газов 850 м³/ч
Температура уходящих газов, не более 250 °C
Тяга Естественная
Водяной объем котла 97 л
Объем топочной камеры 0.46 м³
Присоединительные размеры по водяному тракту 50 Ду
Присоединительные размеры газохода уходящих газов, ширина*высота / сечение Ду 250 / 0.05 мм/м²
Габаритные размеры блока, длина*ширина*высота 960х960х1845 мм
Габаритные размеры котла, длина*ширина*высота 960х960х2115 мм
Масса 1000 кг
Конструкция котла водотрубная, вертикальная
Количество контуров Одноконтурный
Размещение Напольный
Тип камеры сгорания Открытый
Управление Электронное
Принцип работы твердотопливного котла Классический
Энергонезависимый Нет
Тип питания Трехфазное
Встроенный циркуляционный насос Нет
Встроенный расширительный бак Нет
Марка HeatExpert
Отапливаемая площадь от 1200 до 2200 м²
Отапливаемый объем от 3500 до 6500 м³
Энергоэффективность Высокая
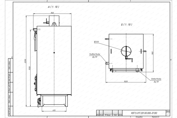
Чертеж котла без дымососа 0.2 МВт
Котел без дымососа 0.2 МВт чертеж
Чертеж котла на самотяге 0.2 МВт
Котел на самотяге 0.2 МВт чертеж
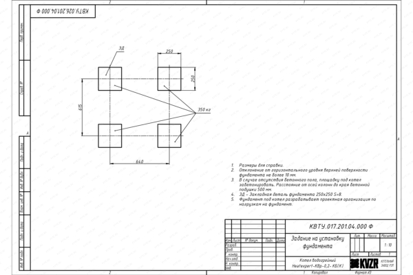
Фундамент котла на самотяге 0.2 МВт чертеж
Чертеж фундамента котла на самотяге 0.2 МВт

Твердотопливный котел 0.2 МВт на естественной тяге в Монголии

Российский стальной водогрейный котел на самотяге 0.2 МВт устанавливается в котельных производственных помещений и зданий, складов, гаражей, цехов, ангаров, автосервисов, школ, садиков, клубов, магазинов, больниц, санаториев, теплиц, птицефабрик, СТО площадью 1200 – 2200 м2 для отопления. Температура нагрева воды до 115 °С, диапазон рабочего давления 0,1 – 0,3 МПа.

Промышленный отопительный котел 0.2 МВт на естественной тяге нашего производства работает без дымососа, но при этом имеет максимально высокий КПД до 80% за счет развитой поверхности нагрева. Уникальность конструкции заключается в особой системе тяги и дутья. Такая конструкция обеспечивает легкий выход котла на номинальную мощность даже при плюсовой температуре окружающей среды, исключает задымление в котельной и конденсат поверхностей нагрева. Дымовая труба может быть установлена на каркас котла, это экономит ваши затраты на монтажные работы. А отсутствие дымососа в работе котла уменьшает затраты на электроэнергию.

Принцип работы котла 0,2 МВт без дымососа

Загрузка угля осуществляется вручную через топочную дверку. Необходимо равномерно распределить слой топлива по решетке, высотой не более 200 мм.

Образующиеся в топочной камере дымовые газы выходят из топочной камеры через расположенную над топкой конвективную ступень теплообмена и двигаясь вверх выводятся в выходное окно на потолке котла.

Шлак выгребается из зольника и топки в котельный зал и вручную транспортируется в золоотвал.

Водотрубные котлы работают с естественной тягой, которую обеспечивает дымовая труба.

Котельный блок

Водогрейные твердотопливные котлы 0.2 МВт на естественной тяге изготавливают из стальных труб. Водонагревательные котлы имеют топочную часть, где происходит процесс горения топлива и конвективную часть, где происходит передача тепловой энергии нагреваемой воде и снижение температуры уходящих газов до 180-200 °С. Горение твердого топлива происходит в топке с колосниковой, либо водоохлаждаемой решеткой. Снаружи трубная система имеет обшивку из стальных листов и теплоизоляции, установленных на каркасе. Над топочной дверкой котла имеется люк для очистки конвективных поверхностей нагрева. Внизу котла располагаются опоры, зольный бункер.

Конвективные поверхности нагрева

Производственный водонагревательный котел 0.2 МВт без дымососа работает по противоточной схеме, когда конвективная поверхность выступает в роли экономайзера, тем самым, обеспечивая повышение КПД котла еще на 5%. Гидравлическая схема движения теплоносителя, обеспечивает стабильную работу котла без водоподготовки, турбулизация потока теплоносителя в котле обеспечивает отсутствие застойных зон и безнакипность его работы.

Топочная часть

Отопительный котел 0.2 МВт на естественной тяге изготавливается с газоплотной топкой с водоохлаждаемыми, либо чугунными колосниками.

Колосниковая топка стального угольного котла 0.2 МВт без дымососа собирается из чугунных колосников для поддержания слоя твердого горящего топлива. Колосники изготавливаются с круглыми или щелевидными отверстиями для подвода воздуха в слой топлива и провала шлака в нижний короб. Чтобы избежать застревание шлака, снизу отверстия расширяются. Воздух, используемый для горения, подается с помощью вентилятора или за счет естественной тяги. Топливо забрасывается на колосники ровным слоем через загрузочную дверку. Зола и шлак выгребаются и удаляются в отвал.

Водоохлаждаемая топка выполняется из труб с вваренной охлаждаемой стальной полосой с многочисленными маленькими отверстиями для подачи воздуха. Отверстия обеспечивают большую и равномерно распределенную область подачи воздуха в слой топлива и исключают недостаток кислорода для горения. Оптимальный режим горения, позволяет не только более эффективно сжигать подаваемое на решетку твердое топливо, но и устраняет зависимость эффективности сгорания топлива от его вида, и свойств по спекаемости, зольности и фракционности. Особенность устройства поверхности топки позволяют оперативно снимать слой топлива и шлака из топки в случае аварийной ситуации в котельной.

Комплект поставки

Водонагревательный стационарный котел 0.2 МВт с естественной тягой включает базовую комплектацию – вентилятор поддува, клапаны, вентили, манометры, термометры, трехходовые краны.

Для эффективной и надежной работы отопительный котел 0.2 МВт без дымососа комплектуется дополнительным оборудованием, поставляемым по запросу – насос, дымовая труба.

Купить котел 0.2 МВт на естественной тяге

Для того чтобы купить котел 0.2 МВт без дымососа в Монголии, вы можете сделать заявку в отдел сбыта по телефону 8-800-700-06-43, либо оформить заявку онлайн. Менеджеры дадут консультацию по подбору вспомогательного оборудования для выбранных вами моделей и рассчитают стоимость доставки. Транспортирование котлоагрегата и вспомогательного оборудования может осуществляться автотранспортом, ж/д полувагонами и речным транспортом.

Комплект поставки котла без дымососа 0.2 МВт

Цена водогрейного котла без дымососа 0.2 МВт включает в себя запорную арматуру и КИП в пределах котла, вентилятор поддува и предохранительные клапаны. Ниже приведена подробная информация.

Дополнительное оборудование котла без дымососа 0.2 МВт

Для эффективной и надежной работы котла без дымососа 0.2 МВт вам потребуется дополнительное оборудование - автоматика, дымосос, золоуловитель, насос сетевой и подпиточный, газоходы и переходники для газового тракта, дымовая труба. Мы предлагаем рассмотреть типовые варианты комплектации. В случае если у вас на объекте имеется насосное и тягодутьевое оборудование, мы можем проверить совместимость котла без дымососа 0.2 МВт нашего производства и вашего оборудования. Можем изготовить нестандартные узлы для выполнения быстрого монтажа котла - газоходы и узлы обвязки. Типовую схему монтажа котла вы можете посмотреть во вкладке схемы подключения.

Монтаж и схемы подключения котла без дымососа 0.2 МВт

Водогрейный стальной отопительный котел без дымососа 0.2 МВт, предназначен для получения горячей воды номинальной температурой на выходе из котла от 95 до 115 °С рабочим давлением до 0,3 (3,0) МПа (кгс/см), используемой в системах централизованного теплоснабжения на нужды отопления, горячего водоснабжения. Устанавливается в производственных, промышленных и отопительных котельных.

Монтаж и подключение котла без дымососа 0.2 МВт

План расстановки котельного оборудования, трубопроводов и дымоходов в котельной

Для подключения котла без дымососа 0.2 МВт в котельном зале необходимо оставить проемы для обслуживания оборудования во время эксплуатации, согласно рекомендациям СНИП II-35-76. На данной схеме представлены размеры таких проёмов. Кроме того составлен примерный план, как можно произвести подключение оборудования, а также указан перечень необходимого вспомогательного оборудования для работы котла. К вспомогательному оборудованию относятся - автоматика котла, циркуляционный насос, подпиточный насос, бак запаса воды, расширительный мембранный бак, дымовая труба и дымосос, золоуловитель (по желанию).

Если подпиточная вода не соответствует требованиям к питательной воде, необходимо продумать систему водоподготовки котловой воды.
Для котельных 1 категории, являющиеся единственным источником тепла системы теплоснабжения и обеспечивающие потребителей первой категории, не имеющих индивидуальных резервных источников тепла, необходимо предусмотреть полное резервирование оборудования - котлов, насосов, ТДМ. Пунктирной линией показано оборудование для резервирования.
Для котельных 2 категории, включающие в себя промышленные и производственные котельные резервирование нужно предусматривать по необходимости.

Тепловая схема подключения твердотопливного котла в котельной

Тепловая схема подключения твердотопливного котла

На данной схеме приведен образец тепловой схемы подключения котла в котельном зале. При эксплуатации котельного оборудования очень важно грамотно осуществить подключение, установить контрольно-измерительные приборы для контроля параметров работы котельной и запорную арматуру для оперативного переключения потока теплоносителя при плановой или аварийной остановке оборудования. Данную схему можно использовать, как пример для разработки своего объекта или заказать у нас разработку индивидуальной схемы для вашей котельной.

Сертификаты и гарантии котла без дымососа 0.2 МВт

Водогрейный котел без дымососа 0.2 МВт имеет гарантийный срок 24 месяца. Срок работы при соблюдении правил монтажа и эксплуатации оборудования 10 лет.

Водогрейные котлы сертификат
Сертификат на водогрейные котлы
Сертификат на водогрейные котлы на газе и жидком топливе
Сертификат на водогрейные котлы на газе и жидком топливе

Подберите мощность котла для вашего объекта

Тип здания
Регион
Населенный пункт
Наружный объем здания
3)
Отапливаемый подвал
Объем подвала
3)

Отзывы о продукции

Другая похожая продукция

КВр котел 0.2 МВт
Котел КВр 0.2
Максимальная тепловая мощность, МВт 0.2
Топливо Твердое, Уголь
Вид топки Ручная, Колосники
Отапливаемая площадь, м² от 1200 до 2200
318 000 ₽
Котел 0.2 МВт дрова уголь
Котел 0.2 МВт уголь дрова
Максимальная тепловая мощность, МВт 0.2
Топливо Твердое, Уголь, Дрова
Вид топки Колосники, ОУР, Ручная
Отапливаемая площадь, м² от 1200 до 2200
342 000 ₽
Котел 0.15 МВт без дымососа
Котел без дымососа 150 КВт
Максимальная тепловая мощность, кВт 150
Топливо Твердое, Уголь
Вид топки Ручная, Колосники
Отапливаемая площадь, м² от 860 до 1600
306 000 ₽
Котел 0.35 МВт без дымососа
Котел без дымососа 350 КВт
Максимальная тепловая мощность, кВт 350
Топливо Твердое, Уголь
Вид топки Ручная, Колосники
Отапливаемая площадь, м² от 2600 до 3900
540 000 ₽